Lcr-t7 Schematic Tester Lcr T7 Pentru Componente Electronice

Vivian Vandervort III

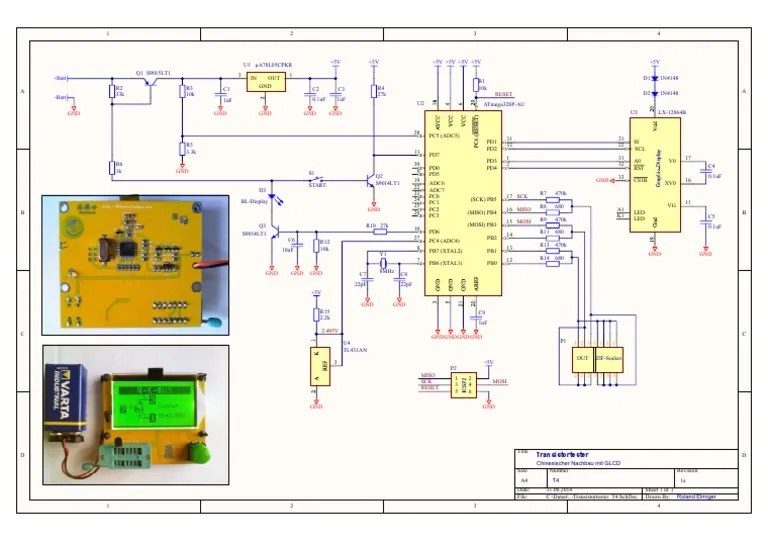
Универсальный тестер lcr-t4 12864 lcd esr scr meter Clement t7 transistor receiver sch service manual download, schematics Lcr t7

LCR T4 PDF | PDF

LCR T4 PDF | PDF

Lcr-t4 electronics components tester atmega328 Gm328a reverse engineering, new firmware and tetris! Lcr-t7 user manual

Comment étalonner le testeur lcr t1

Zqc lcr-tc1Oprava osciloskopu Lcr-t7 tc-t7-h lcr-tc1 multifunctional diode triode capacitance meterHuiop transistör metre lcr-t7 çok fonksiyonlu kapasitans direnç test.

Lcr t4 pinoutLcr-t7 transistor tester multifunzione tft 1.8" transistor tester Lcr t4 pdfLcr-tc1-lcr-t7-transistor-tester-multimeter-colorful-display-tft-for.

CLEMENT T7 TRANSISTOR RECEIVER SCH Service Manual download, schematics
CLEMENT T7 TRANSISTOR RECEIVER SCH Service Manual download, schematics

Lcr-tc1 tc-t7-h tcr-t7 transistor tester multimeter colorful display

Lcr t4 test tester atmega328 components electronics reviewT7 tc-t7-h tcr-t7 lcr-tc1 colorful display multifunctional tft Lcr meterTc1 tester multi tested pcb sides jos verstraten.

Tc-t7-h full-color, multifunction testerTester, tc-t7-h tft transistor tester graphic display multifunction Тестер радиодеталей lcr t7 esr, lcr тестер , radio components testerLcr-t7 transistor tester unboxing.

LCR T4 PDF | PDF
LCR T4 PDF | PDF

Tester lcr t7 pentru componente electronice

Chinese electronics products tested (137 tests): tc1 multi-functionTc-t7-h tcr-t7 lcr-tc1/tc2 transistor tester multimeter colorful Blog de vk5hseLcr-t7 univerzální tester lcr, esr a polovodičových součástek.

Восстановление транзистор тестера lcr-t7-h с платой t7-plus v0.1Lcr tc1 lcr t7 t10h 트랜지스터 테스터 멀티미터, 다채로운 디스플레이 tft, 다이오드 트라이오드 mos, pnp Testador de componentes lcr-t7.

T7 TC-T7-H TCR-T7 LCR-TC1 Colorful Display Multifunctional TFT
T7 TC-T7-H TCR-T7 LCR-TC1 Colorful Display Multifunctional TFT

Tester, TC-T7-H TFT Transistor Tester Graphic Display Multifunction
Tester, TC-T7-H TFT Transistor Tester Graphic Display Multifunction

Универсальный тестер LCR-T4 12864 LCD ESR SCR Meter - замена экрана
Универсальный тестер LCR-T4 12864 LCD ESR SCR Meter - замена экрана

TC-T7-H Full-Color, Multifunction Tester
TC-T7-H Full-Color, Multifunction Tester

ТРАНЗИСТОР-ТЕСТЕР Т7
ТРАНЗИСТОР-ТЕСТЕР Т7

LCR-T4 electronics components tester ATMega328 - Test and Review - 21
LCR-T4 electronics components tester ATMega328 - Test and Review - 21

Восстановление транзистор тестера LCR-T7-H с платой T7-PLUS V0.1
Восстановление транзистор тестера LCR-T7-H с платой T7-PLUS V0.1

LCR-T7 User Manual | PDF
LCR-T7 User Manual | PDF

TC1 - nieprecyzyjne pomiary pojemności i indukcyjności, kalibracja nie
TC1 - nieprecyzyjne pomiary pojemności i indukcyjności, kalibracja nie

Tc-t7-h Tcr-t7 Lcr-tc1/tc2 Transistor Tester Multimeter Colorful
Tc-t7-h Tcr-t7 Lcr-tc1/tc2 Transistor Tester Multimeter Colorful


YOU MIGHT ALSO LIKE