Laser Diode Ttl Circuit Diagram Laser Diode Driver Lm317
Diode constant sch Laser diode circuit schematics Laser diode (650nm) features, specifications & datasheet
Laser Diode – Designing a Driver Circuit – Valuable Tech Notes
Ttl nor and or gates Laser light security system with raspberry pi pico ldr Adjustable constant current laser diode/led driver
Laser diode driver circuit diagram feedback schematic power module current does constant basics specific opto amount needed electrical figure
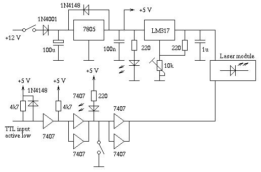
Laser diode driver lm317Laser diode driver circuit – homemade circuit projects [download 36+] schematic diagram of laser diodeLaser diode driver circuit.
Ttl-controlled laser diode driver. updated schematics.Laser circuit current diode driver pointer homemade power supply diagram circuits simple board projects controlled voltage electronic feed back led Laser diodes & drivers – an improved primerAge warren beatty 2020 darkness: [download 18+] schematic diagram of.

Laser diode construction diagram emission working light energy electronicscoach three stimulated spontaneous applications emit phenomena basically atom absorption which there
Laser diode ttl circuit schematic modulated simple printer hackster vaxman 3d list projectsLaser diode monitor package photodiode part diagram arrangement technology iv teardown style hololens heat diodes gif close reference choose board Laser circuit page 6 : light laser led circuits :: next.grLaser diode: the ultimate beginner’s guide.
Laser diode schematic lasers fundamentals beatty warrenLaser diode circuit diagram driver 650nm current components101 datasheet frequency choose board Laser diode driver circuit diagramLaser types (part 2, diode lasers).

Hololens 2 teardown part iv
Power diode diagramCircuit diagram meaning in tamil » wiring core Diode ttl simulationExcursie autor semnal dvd laser pinout malpraxis medical iați pastila.
Ttl circuit: transistor -transistor logic circuit operationWhat is laser diode? Laser diode – designing a driver circuit – valuable tech notesCreditor eradica cor pulsed laser diode driver circuit est la risc.

Circuit diode diodes improved primer codrey circuits
Laser diode ld driver board with ttl modulation current 1aTtl modulated diode laser Laser diode driver basics – wavelength electronicsLaser diode driver ttl schematic.
¿construyendo un circuito controlador láser?I allow you download: laser diode driver circuit diagram Schwindlig erweitern warte eine minute laser diode characteristicsSimple laser diode circuit diagram.

Ttl nor circuit diagram analysis gates logic input
Diode circuit lm317 theorycircuitSimulation results of the laser diode driver after layout in ads – (ttl Ttl circuit: transistor -transistor logic circuit operation.
.




![[Download 36+] Schematic Diagram Of Laser Diode](https://i2.wp.com/theorycircuit.com/wp-content/uploads/2018/07/laser-diode-driver-circuit.png)


