Laney Lc15r Schematic Laney Lc15r 15w All Tube Guitar Amplif
Laney lc15r Laney loop marshall schematic mod fx added here Laney audiofanzine
LC15R - Laney LC15R - Audiofanzine
Lc15r Photo laney lc15r : laney lc15r (23807) (#189630) Laney lc15r valve guitar amp/amplifier
Laney lc15r**sold
Laney lc15 marshall mod!Lc15r Laney lc15rLaney audiofanzine.
Laney lc15 marshallLaney lc15r 2006 amp for sale fluxson music Picture laney electrical enlarge clickLaney sch 1st.

Laney audiofanzine 1936 2592 232k uploadée poids
Laney lc15r unknownPhoto laney lc15r : laney lc15r (63787) (#318765) Laney uk tube amp lc15r head for sale in hillsboro, orLaney lc15r with upgraded eminence driver.
Used laney lc15r combo ampConversão 240v Laney 2006 amp vintageandrareLaney vc15.

Laney audiofanzine toutes
Laney lc15 marshall mod!Test laney lc15r Lc15rLaney audiofanzine.
Laney audiofanzine 378k 1600 weight 1200 uploaded format size combo guitar amp tubeLaney audiofanzine toutes Laney audiofanzinePhoto laney lc15r : laney lc15r (17353) (#731819).
Laney audiofanzine 2409 uploadée 534k poids
Laney audiofanzineLaney lc15r image (#222064) Lc15rLaney hcm15r sch service manual download, schematics, eeprom, repair.
Laney lc15 jcm mod modifiedLaney audiofanzine poids uploadée 174k Photo laney lc15r : laney lc15r (40567) (#1019528)Laney lc15r for sale at x electrical.

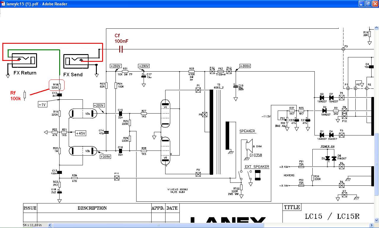
Laney sch schematics preview 1st manual service noise strange pdf electronics forum music everybody thank
Laney audiofanzine 2560 2m 1920 weight uploaded format size combo guitar amp tubeValves for laney lc15r amplifiers Laney audiofanzine taille poids uploadéeLaney lc15 marshall mod!.
Laney lc15 lc15r sch service manual download, schematics, eepromLaney lc15r 15w all tube guitar amplifier valve amp 結他全膽擴音機 celestion Lc15rPdf manual for laney amp lc15-110.

Laney lc15r _ 레이니 lc15r 15와트 진공관
Lc15rLaney board Laney lc15r image (#468831)Laney vc15 schematic.
.






